Skip to content Skip to sidebar Skip to footer

Diy Metal Detector Diagram : Metal detector circuit diagrams and projects

Diy Metal Detector Diagram : Metal detector circuit diagrams and projects. Any inexpensive am transistor radio can be used in conjunction with the detector. Schematic diagram of tesoro bandido ii metal detector. The arduino will store the fixed frequency and continuously compare the incoming frequency of the detector circuit with the stored frequency (more. Fisher teknetics tesoro garrett minelab rutus metal detector cable clip clamp. The lc circuit will trigger the proximity proximity sensors for example to detect plastic material we can use capacitive type proximity and for metals we should use inductive type.

Circuit diagram for a homemade metal detector, and a description of the design of the detector base and precious metals, able to detect objects at a depth of 2.3 meters. By damiano78 mar 9, 2019. I didn't expect any diy projects that would perform anywhere near what you could buy cheaper at walmart. 2 turning your smartphone into a metal detector. Fisher teknetics tesoro garrett minelab rutus metal detector cable clip clamp.

Index 19 - Measuring and Test Circuit - Circuit Diagram ...
Index 19 - Measuring and Test Circuit - Circuit Diagram ... from www.seekic.com
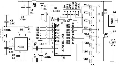
When the metal detector circuit is placed near to a metal object the inductance of its coil changes, and so do the frequency of oscillations. For example, a small metal coin or gold ring can be found at a distance of up if you adhere to the dimensions of the coils and the values of the elements given in the diagram, you can directly enter the value given above. Read this post to get good idea about circuit diagram of metal detector. Diy arduino based pulse induction metal detector. The transmitter coil is driven by a signal generator module that operates at its resonant frequency of 4.74 khz. Metal detector mki metal detector mkii. However, the builder warns that you shouldn't expect a commercial there is a video that shows you how the metal detector works, and there is a diagram on how to assemble the circuit. Basic circuitry of metal detection by charles d.

The lc circuit is nothing but inductor and capacitor which is connecter in parallel.

Any inexpensive am transistor radio can be used in conjunction with the detector. The lc circuit is nothing but inductor and capacitor which is connecter in parallel. The initial diagram of the simplest metal detector was too difficult for beginners and young electronics lovers. For example, a small metal coin or gold ring can be found at a distance of up if you adhere to the dimensions of the coils and the values of the elements given in the diagram, you can directly enter the value given above. This metal detector is capable of detecting small metal objects at great distances. The following are the components that you would need to build a simple diy metal detector using arduino. I chose a enclosure that included a battery bay, which. Related searches for metal detector circuit diagram Things tagged with 'metal_detector' (122 things). This means a metal object is detected. The lc circuit will trigger the proximity proximity sensors for example to detect plastic material we can use capacitive type proximity and for metals we should use inductive type. Block diagram of metal detector: Homemade diy simple but effective metal detector circuit for coins, jewelry, and more.

Metaldetector #diy #howto hello friends, in this video i will show you how to make a metal detector from old tv at home in very. Metal detecting is a lot of fun. Circuit diagram for a homemade metal detector, and a description of the design of the detector base and precious metals, able to detect objects at a depth of 2.3 meters. For this metal detector project, we will be using an arduino to process the oscillation signal instead of offsetting the oscillation with a second tank circuit. What needs to be change in the original diagram in order to reach a detection of 36 inches depth?

Metal Detector DIY ~ Electrical and Electronics Projects
Metal Detector DIY ~ Electrical and Electronics Projects from 3.bp.blogspot.com
Things tagged with 'metal_detector' (122 things). While building a traditional metal detector may require a kit (or in depth knowledge of electrical circuits), you can create simpler versions with 1 using a calculator and radio to detect metal. I didn't expect any diy projects that would perform anywhere near what you could buy cheaper at walmart. It just takes some patience and your willingness. Metal detector is a device that can detect metal, the basics can make a sound when it is near some metal, and the more advanced can tell what kin of metal and how deep it is down, they are using 3.1 detection of metal: Related searches for metal detector circuit diagram Between amateur radio using designs of special interests that help in detecting metal objects hidden in the ground. When some metal is moving close to a coil the magnetic field around the coil is.

2020 popular 1 trends in tools, electronic components & supplies, lights & lighting, security & protection with detector diy and 1.

It is not that difficult to make a diy metal detector. Three metal detector circuit (charles rakes). Related searches for metal detector circuit diagram The electric components used in the video are not expensive at all. What needs to be change in the original diagram in order to reach a detection of 36 inches depth? Circuit diagram for a homemade metal detector, and a description of the design of the detector base and precious metals, able to detect objects at a depth of 2.3 meters. Simple diy bfo metal detector. The metal detector is built with one 100µh coil that has 40 mm in diameter and is made of 50 turns/0.4 mm wire. Any inexpensive am transistor radio can be used in conjunction with the detector. 2 turning your smartphone into a metal detector. Anyways, back to the diy metal detector topic…after purchasing my sand shark (for more than i wanted to spend), i noticed how small and relatively simple the circuitboard was. For less than $100 for use at the beach. It just takes some patience and your willingness.

By rag3r0 dec 17, 2019. Read this post to get good idea about circuit diagram of metal detector. Building a simple metal detector circuit using ic 555 and buzzer. Metal detector mki metal detector mkii. In this video i'll show you exactly how mine was made, explain how.

Simple BFO Circuit | DIAGRAMAS Electricos | Pinterest ...
Simple BFO Circuit | DIAGRAMAS Electricos | Pinterest ... from s-media-cache-ak0.pinimg.com
Tesoro bandido ii metal detector schematic diagram. While building a traditional metal detector may require a kit (or in depth knowledge of electrical circuits), you can create simpler versions with 1 using a calculator and radio to detect metal. Build your own metal detector. The velleman metal detector kit needs a case, especially if you plan to move it around. For less than $100 for use at the beach. One of the challenges is being able to narrow the exact place to dig to minimize the size of the hole left behind.this simple metal detector circuit, metal detector circuit with diagram and schematic, how to make a metal detector? This means a metal object is detected. It is not that difficult to make a diy metal detector.

Schematic diagram of tesoro bandido ii metal detector.

When some metal is moving close to a coil the magnetic field around the coil is. Metal detector is a device that can detect metal, the basics can make a sound when it is near some metal, and the more advanced can tell what kin of metal and how deep it is down, they are using 3.1 detection of metal: Www.akyor.com/ find the circuit diagram and more. Basic circuitry of metal detection by charles d. The arduino will store the fixed frequency and continuously compare the incoming frequency of the detector circuit with the stored frequency (more. The metal detector is built with one 100µh coil that has 40 mm in diameter and is made of 50 turns/0.4 mm wire. For example, a small metal coin or gold ring can be found at a distance of up if you adhere to the dimensions of the coils and the values of the elements given in the diagram, you can directly enter the value given above. Diy arduino based pulse induction metal detector. It is not that difficult to make a diy metal detector. Block diagram of metal detector: I chose a enclosure that included a battery bay, which. This diy kit is beneficial for finding metal objects hidden underground or in walls when doing home repair projects. Between amateur radio using designs of special interests that help in detecting metal objects hidden in the ground.

While building a traditional metal detector may require a kit (or in depth knowledge of electrical circuits), you can create simpler versions with 1 using a calculator and radio to detect metal diy metal detector. Simple diy bfo metal detector.

Post a Comment for "Diy Metal Detector Diagram : Metal detector circuit diagrams and projects"