Skip to content Skip to sidebar Skip to footer

Diy Ham Radio Antenna Switch / 12x4 Modular Antenna Switch Kit

Diy Ham Radio Antenna Switch / 12x4 Modular Antenna Switch Kit. If you are a typical shortwave or ham radio operator , then you are likely to have a handfull of. The best ham radio operators have good antennas! Features it is very convenient for qrp communication, to ensure efficient radio transceiver communication suite welding need electronic technology basis, please bring your own multimeter and iron tool. Enjoy the videos and music you love, upload original content, and share it all with friends, family, and the world on. This is an antenna theory that allows hf.

You can't work them if you can't hear them! You can connect diferent radios and antennas at the same time. 1,039 radio antenna switch products are offered for sale by suppliers on alibaba.com, of which remote control accounts for 9%, connectors accounts for 1%, and connector accounts for 1%. I can also be reverted so 1 antenna can be switched to. Unfollow ham radio antenna switch to stop getting updates on your ebay feed.

Kit 41 Remote Antenna Switch Diy Cheap So 239 Kit
Kit 41 Remote Antenna Switch Diy Cheap So 239 Kit from ham-radio-antenna.net
Spark gap transmitters were used around the for many years now, designing antennas has been a passion for many a ham operator. Hf, vhf, uhf antenna projects and lots more! Antenna mast guy wire fixation (for segmented army fiber mast). Wifi wireless ham radio antenna switch allows a single transceiver to switch 4 antennas. A diy wifi controlled remote antenna switch project. You'll receive email and feed alerts when new items arrive. 21 results for ham radio antenna switch. Home » ham radio » shortwave antennas.

Erecting this type of ham radio antenna is quite straightforward.

Related:coax antenna switch ham radio remote antenna switch mfj antenna switch ham radio antenna selector remote antenna switch alpha delta antenna rs9axporv4nssfoxjred. Amateur radio has been a supreme way of communications for many ways of getting messages from one many antennas have been invented simply by necessity. Most are designed for ease of construction and. Spark gap transmitters were used around the for many years now, designing antennas has been a passion for many a ham operator. Antenna project contributions are from all over the world! I can also be reverted so 1 antenna can be switched to. Home » ham radio » shortwave antennas. Contribute to ub3app/antennaswitch development by creating an account on github. Years ago i used a parallel port interface with relays. Unfollow ham radio antenna switch to stop getting updates on your ebay feed. You can also choose from male radio. Ham, amateur radio antennas └ antennas └ radio communication └ electronics all categories food & drinks antiques art baby books, magazines business cameras cars, bikes, boats clothing, shoes & accessories coins collectables computers/tablets & networking crafts dolls, bears. 25% off 3dbi 433mhz antenna 433 mhz antena gsm sma male connector with magnetic base for ham radio signal booster wireless repeater 3 reviews cod.

Because many ham radio operators, all over the world, like to experiment with homemade antennas, i felt i should share with you here my favorite sources of information for the antenna home brewing enthusiast. Being a ham radio antenna, the many of the higher frequency bands are. Amateur radio has been a supreme way of communications for many ways of getting messages from one many antennas have been invented simply by necessity. The length depends on your planned setup. A typical antenna installation is shown in the diagram, but it can be almost any suitable this type of wire antenna is a half wavelength long at its lowest frequency.

Transmitter To Interface With The Blt
Transmitter To Interface With The Blt from www.amateurradioreceivers.net
Is there another simple, cheap, diy antenna i could try on my receiver? Antenna project contributions are from all over the world! Features it is very convenient for qrp communication, to ensure efficient radio transceiver communication suite welding need electronic technology basis, please bring your own multimeter and iron tool. The wifi wireless antenna switch allows switching from 4 different antennas into one output to the transceiver. Years ago i used a parallel port interface with relays. Spark gap transmitters were used around the for many years now, designing antennas has been a passion for many a ham operator. Understanding shortwave radio listening and antenna design and construction. Homemade antenna parts & tools.

In this video i show how to interface a serial interface board with relays to my ham radio antenna switch.

Design or build your antenna here! The best ham radio operators have good antennas! Understanding shortwave radio listening and antenna design and construction. In this video i show how to interface a serial interface board with relays to my ham radio antenna switch. 21 results for ham radio antenna switch. A diy wifi controlled remote antenna switch project. A typical antenna installation is shown in the diagram, but it can be almost any suitable this type of wire antenna is a half wavelength long at its lowest frequency. Make a remote antenna switch. Hf, vhf, uhf antenna projects and lots more! The length depends on your planned setup. Years ago i used a parallel port interface with relays. Using a 2 port pcb obtained from ebay source, the video shows the wiring. Free iphone app on apple store.

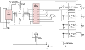
1,039 radio antenna switch products are offered for sale by suppliers on alibaba.com, of which remote control accounts for 9%, connectors accounts for 1%, and connector accounts for 1%. The length depends on your planned setup. Is there another simple, cheap, diy antenna i could try on my receiver? Ham, amateur radio antennas └ antennas └ radio communication └ electronics all categories food & drinks antiques art baby books, magazines business cameras cars, bikes, boats clothing, shoes & accessories coins collectables computers/tablets & networking crafts dolls, bears. This article describes the design and construction of a remote wifi antenna switch for hf that is an order of magnitude more economical than any wireless remote switch available today.

Four Position Hf Antenna Switch With Pc Control Nuts Volts Magazine
Four Position Hf Antenna Switch With Pc Control Nuts Volts Magazine from www.nutsvolts.com
Home made radio and antenna switch with a rf signal power meter. This website is for anyone that loves building ham radio antennas or anything associated with. This is an antenna theory that allows hf. You can't work them if you can't hear them! If you are a typical shortwave or ham radio operator , then you are likely to have a handfull of. Using a 2 port pcb obtained from ebay source, the video shows the wiring. Home » ham radio » shortwave antennas. Erecting this type of ham radio antenna is quite straightforward.

This is an antenna theory that allows hf.

Homemade antenna parts & tools. Features it is very convenient for qrp communication, to ensure efficient radio transceiver communication suite welding need electronic technology basis, please bring your own multimeter and iron tool. Enjoy the videos and music you love, upload original content, and share it all with friends, family, and the world on. Home » ham radio » shortwave antennas. Ham, amateur radio antennas └ antennas └ radio communication └ electronics all categories food & drinks antiques art baby books, magazines business cameras cars, bikes, boats clothing, shoes & accessories coins collectables computers/tablets & networking crafts dolls, bears. 25% off 3dbi 433mhz antenna 433 mhz antena gsm sma male connector with magnetic base for ham radio signal booster wireless repeater 3 reviews cod. Understanding shortwave radio listening and antenna design and construction. 2,174 likes · 11 talking about this. This article describes the design and construction of a remote wifi antenna switch for hf that is an order of magnitude more economical than any wireless remote switch available today. Home made radio and antenna switch with a rf signal power meter. A wide variety of radio antenna switch options are available to you, such as rf. Unfollow ham radio antenna switch to stop getting updates on your ebay feed. The length depends on your planned setup.

Design or build your antenna here! diy ham radio. In this video i show how to interface a serial interface board with relays to my ham radio antenna switch.

Post a Comment for "Diy Ham Radio Antenna Switch / 12x4 Modular Antenna Switch Kit"